Toggle navigation
Главная
Продукция
О компании
Доставка
Сервис
Помощь
Условия покупки
Контакты
0
Двигатели Briggs & Stratton
Двигатели для газонокосилок
Двигатели Briggs & Stratton Vanguard
Двигатели для садовых тракторов
Двигатели с горизонтальным валом
Двигатели для снегоуборщиков
Гоночные двигатели Briggs & Stratton
Генераторы Briggs & Stratton
Бензиновые генераторы Briggs & Stratton
Газовые генераторы Briggs & Stratton
Расходные материалы Briggs & Stratton
Наборы техобслуживания Briggs & Stratton
Масла и присадки Briggs & Stratton
Снегоуборщики Briggs & Stratton
Одноступенчатые снегоуборщики Briggs&Stratton
Двухступенчатые снегоуборщики Briggs&Stratton
095902-3127-99
095902-3127-99
По популярности
По цене
Товаров на странице
6
9
12
18
Увеличить
1 Корпус фильтра, воздушный фильтр, глушитель 095902-3127-99
Подробнее
Увеличить
2 Стартер, детали стартера 095902-3127-99
Подробнее
Увеличить
3 Стартер, детали стартера 095902-3127-99
Подробнее
Увеличить
4 Регулятор, пружина регулятора, тормоз маховика 095902-3127-99
Подробнее
Увеличить
5 Карбюратор 095902-3127-99
Подробнее
Увеличить
6 Регулятор 095902-3127-99
Подробнее
Увеличить
7 Коленчатый вал 095902-3127-99
Подробнее
Увеличить
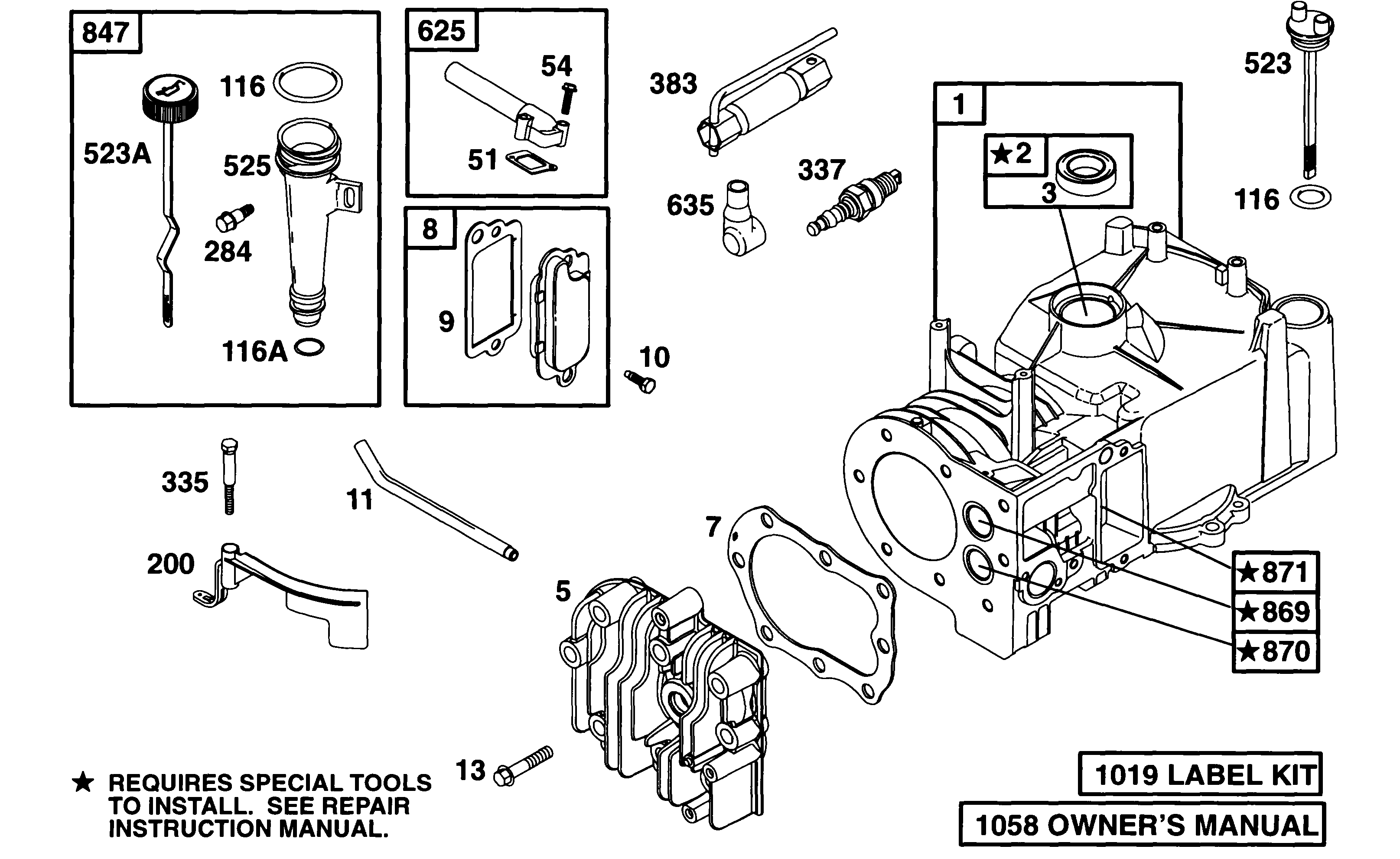
8 Цилиндр, Головка, Масляная заливка 095902-3127-99
Подробнее
Увеличить
9 Топливный бак 095902-3127-99
Подробнее
Увеличить
10 Комплект прокладок 095902-3127-99
Подробнее
Увеличить
11 Пружина 095902-3127-99
Подробнее
Увеличить
12 Поршень, шатун 095902-3127-99
Подробнее
Увеличить
13 Магнето, маховик 095902-3127-99
Подробнее
Увеличить
14 Крышка картера 095902-3127-99
Подробнее